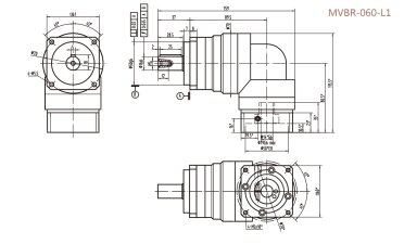
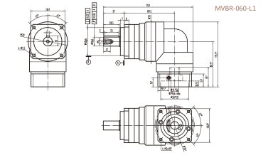
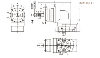
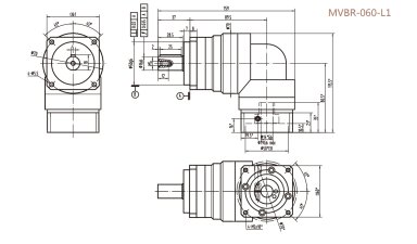
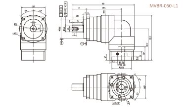
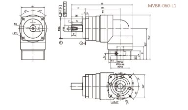
MVBR060L1精密行星減速器型號_尺寸_圖紙_參數
MVBR-060-L1系列超精密背隙行星減速機系列(P0): MVBR-060-L1系列精密背隙行星減速器系列(P1): MVBR-060-L1系列標準背隙行星減速機系列(P2):
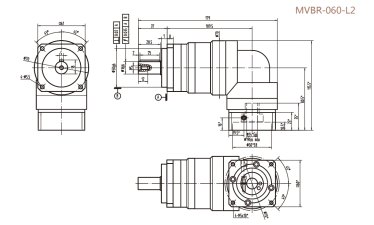
MVBR060L2精密行星減速器型號_尺寸_圖紙_參數
MVBR-060-L2系列超精密背隙行星減速機系列(P0): MVBR-060-L2系列精密背隙行星減速器系列(P1): MVBR-060-L2系列標準背隙行星減速機系列(P2):
MVBR060L1減速器的行星齒輪組硬度強與耐磨性好
在現代工業領域中,減速器作為一種重要的傳動設備,其性能的優劣直接影響著整個生產系統的運行效率和穩定性。而 MVBR060L1減速器中的行星齒輪,以其硬度強和耐磨性好的特點,成
MVBR060L2行星減速機具有低背隙高精度的特點
精確的位置控制,在需要精確位置控制的應用場景中,如機器人關節運動、數控機床等,低背隙的 MVBR060L2 行星減速機能夠確保設備的動作準確無誤。無論是進行微小的位移調整還是復雜
MVBR060L1行星減速機的高穩定性與抗振動性
MVBR060L1 行星減速機在設計和制造過程中,充分考慮了各種因素對穩定性的影響。采用先進的設計理念和高精度的加工工藝,確保各個部件的尺寸精度和配合精度達到極高水平。齒輪的嚙
MVBR060L1P0 精密行星減速機的定制流程
MVBR060L1P0 精密行星減速機的定制流程包括需求溝通與評估、方案設計、樣品制作與測試、客戶確認與批量生產、售后服務等環節。通過嚴格的流程控制和專業的技術服務,確保定制的減
MVBR060L1行星減速機與伺服電機的高效搭配策略
要實現 MVBR060L1 行星減速機與伺服電機的最高效率搭配,需要充分了解減速機和電機的特性,選擇合適的電機,優化系統參數,并進行正確的安裝和調試。只有這樣,才能充分發揮兩者的
MVBR060L2行星減速機在運轉中的調試與優化
在工業生產中,行星減速機的性能直接影響著整個傳動系統的效率和穩定性。MVBR060L2行星減速機作為一款高性能的傳動設備,其在運轉中的調試與優化至關重要。
MVBR060系列行星減速機減速比決定因素
在工業傳動領域,MVBR060 系列行星減速機以其優異的性能和可靠性備受青睞。而減速比作為行星減速機的一個關鍵參數,對整個傳動系統的性能起著至關重要的作用。那么,MVBR060 系列行
MVBR060L1行星減速機在PCB行業的應用
MVBR060L1 行星減速機在 PCB 行業中具有廣泛的應用前景。其卓越的性能和優勢可以為 PCB 生產設備提供穩定的動力傳輸和精確的運動控制,提高生產效率和產品質量。如果想了解更多有關行
MVBR060L1行星減速機的高扭矩與抗振動優勢
在現代工業領域中,對傳動設備的要求越來越高,既要具備高扭矩輸出能力,又要能夠有效抵抗振動。MVBR060L1 行星減速機以其卓越的高扭矩與抗振動優勢,成為眾多工業應用的理想選
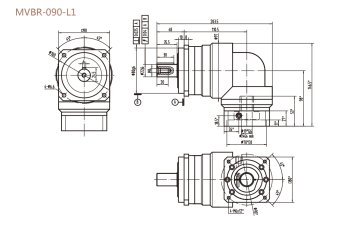
MVBR090L1系列精密行星減速器型號_尺寸_圖紙_參數
MVBR-090-L1系列超精密背隙行星減速機系列(P0): MVBR-090-L1系列精密背隙行星減速器系列(P1): MVBR-090-L1系列標準背隙行星減速機系列(P2):
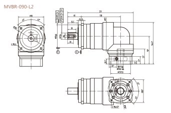
MVBR090L2精密行星減速器型號_尺寸_圖紙_參數
MVBR-090-L2系列超精密背隙行星減速機系列(P0): MVBR-090-L2系列精密背隙行星減速器系列(P1): MVBR-090-L2系列標準背隙行星減速機系列(P2):
MVBR090L1精密行星減速機的適用范圍
在自動化生產線上,各種設備需要精確的速度控制和位置控制。MVBR090L1 精密行星減速機可以與電機配合,實現對生產線設備的精準驅動。它能夠適應不同的工作負載和速度要求,提高生
MVBR090L2行星減速機的傳動過程詳解
在現代工業領域中,行星減速機以其高效、精密的傳動性能而備受青睞。MVBR090L2 行星減速機作為一款高性能的傳動設備,其傳動過程具有獨特的優勢和特點。下面將對其傳動過程進行
MVBR090L2行星減速機良好的耐磨性與抗疲勞性
MVBR090L2 行星減速機在材料的選擇上極為考究。首先,其齒輪通常采用高強度合金鋼,這種材料具有出色的硬度和強度,能夠承受較大的載荷。在經過特殊的熱處理工藝后,齒輪的表面硬
MVBR090系列行星減速機的選型與安裝
在工業生產中,行星減速機的正確安裝與合理選型對于設備的穩定運行和高效工作至關重要。下面將詳細介紹 MVBR090 系列行星減速機的安裝與選型方法。
MVBR090L2P0精密行星減速機的潤滑與調試
在工業領域中,精密行星減速機的正常運行離不開良好的潤滑和正確的調試。MVBR090L2P0 精密行星減速機作為一款高性能的傳動設備,其潤滑與調試工作尤為重要。
MVBR090L2 行星減速機如何調整精度
MVBR090L2 行星減速機,可以通過調整齒輪的安裝位置或更換墊片等方式來調整齒輪間隙。具體的調整方法應根據減速機的結構和設計要求進行操作。在調整過程中,要注意逐步調整,避免
MVBR090L2行星減速機在精密數控機床上的應用
在現代制造業中,精密數控機床扮演著至關重要的角色。而行星減速機作為一種重要的傳動裝置,在精密數控機床上的應用也越來越廣泛。MVBR090L2 行星減速機以其卓越的性能和可靠的質
MVBR090L2P0精密行星減速機的裝配工藝
在現代工業領域中,精密行星減速機以其高精度、高扭矩、低噪音等特點,成為眾多設備的關鍵傳動部件。MVBR090L2P0 精密行星減速機作為一款高性能的產品,其裝配工藝的嚴謹性直接影
MVBR120L1精密行星減速機型號_尺寸_圖紙_參數
MVBR-120-L1系列超精密背隙行星減速機系列(P0): MVBR-120-L1系列精密背隙行星減速器系列(P1): MVBR-120-L1系列標準背隙行星減速機系列(P2):



