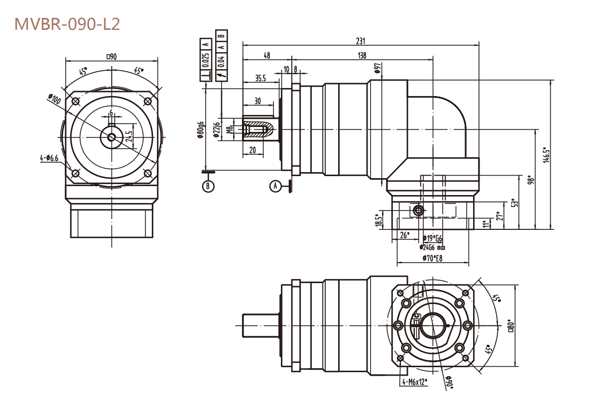
MVBR-090-L2系列精密行星減速器型號尺寸與圖紙
MVBR-090-L2系列精密行星減速器型號如下,不同廠家的行星減速機型號表示方式之間有差異,具體型號可咨詢客服了解,或者直接撥打我們的聯系方式。

MVBR-090-L2系列超精密背隙行星減速機系列(P0): MVBR-090-L2系列精密背隙行星減速器系列(P1): MVBR-090-L2系列標準背隙行星減速機系列(P2):
|
MVBR-090-L2超精密背隙行星減速機(P0) |
MVBR-090-L2精密背隙行星減速機(P1) |
MVBR-090-L2標準背隙行星減速機(P2) |
|
MVBR-090-L2-4-P0 |
MVBR-090-L2-4-P1 |
MVBR-090-L2-4-P2 |
|
MVBR-090-L2-5-P0 |
MVBR-090-L2-5-P1 |
MVBR-090-L2-5-P2 |
|
MVBR-090-L2-7-P0 |
MVBR-090-L2-7-P1 |
MVBR-090-L2-7-P2 |
|
MVBR-090-L2-10-P0 |
MVBR-090-L2-10-P1 |
MVBR-090-L2-10-P2 |
|
MVBR-090-L2-16-P0 |
MVBR-090-L2-16-P1 |
MVBR-090-L2-16-P2 |
|
MVBR-090-L2-20-P0 |
MVBR-090-L2-20-P1 |
MVBR-090-L2-20-P2 |
|
MVBR-090-L2-25-P0 |
MVBR-090-L2-25-P1 |
MVBR-090-L2-25-P2 |
|
MVBR-090-L2-35-P0 |
MVBR-090-L2-35-P1 |
MVBR-090-L2-35-P2 |
|
MVBR-090-L2-40-P0 |
MVBR-090-L2-40-P1 |
MVBR-090-L2-40-P2 |
|
MVBR-090-L2-50-P0 |
MVBR-090-L2-50-P1 |
MVBR-090-L2-50-P2 |
|
MVBR-090-L2-70-P0 |
MVBR-090-L2-70-P1 |
MVBR-090-L2-70-P2 |
|
MVBR-090-L2-240-P0 |
MVBR-090-L2-240-P1 |
MVBR-090-L2-240-P2 |
行星減速機是一種廣泛應用的機械傳動裝置,工業機器人,用于精確控制機器人的關節運動。自動化設備:在自動化生產線中實現速度和位置的精確調節。 機床:保證機床的高精度加工。印刷設備:確保印刷過程中的穩定運行。包裝機械:滿足包裝機械對速度和精度的要求。紡織機械:適應紡織機械的高速運轉。醫療設備:應用于醫療器械的驅動系統。航空航天領域:在飛行器中傳遞動力。電動汽車:為電動汽車的驅動系統提供動力傳輸,風力發電:用于風力發電機的變槳控制。行星減速機的優點包括結構緊湊、傳動效率高、承載能力強、精度高、穩定性好等。它在各種機械設備中發揮著重要作用,有助于提高設備的性能和效率。

行星減速機在工業機械領域是個常客。如火如荼的新能源汽車行業。行星減速機在新能源汽車領域有廣泛的應用,主要包括以下方面:驅動系統:它可以幫助調節電機的轉速和扭矩,提高動力傳遞效率。制動系統:在再生制動時,起到輔助調節的作用。轉向系統:為轉向機構提供精準的動力支持。如果想了解更多有關行星減速機的,請打開鏈接 http://www.vem2.com/jsj/xxjsj/ 或者直接撥打我們首席技術人員13113069953(黃工)微信同號哦。



