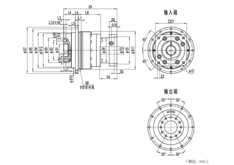
NBR090行星減速機型號大全及尺寸圖紙
NBR090A行星減速機型號大全及尺寸圖
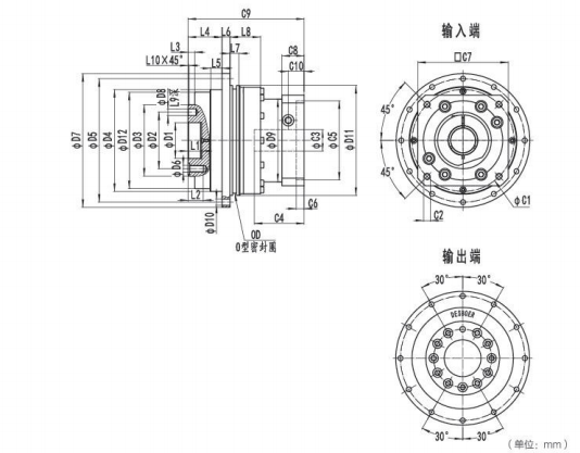
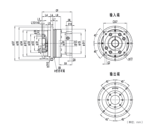
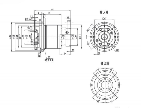
NBR115行星減速機型號大全及尺寸圖紙
NBR115精密行星減速器型號尺寸圖
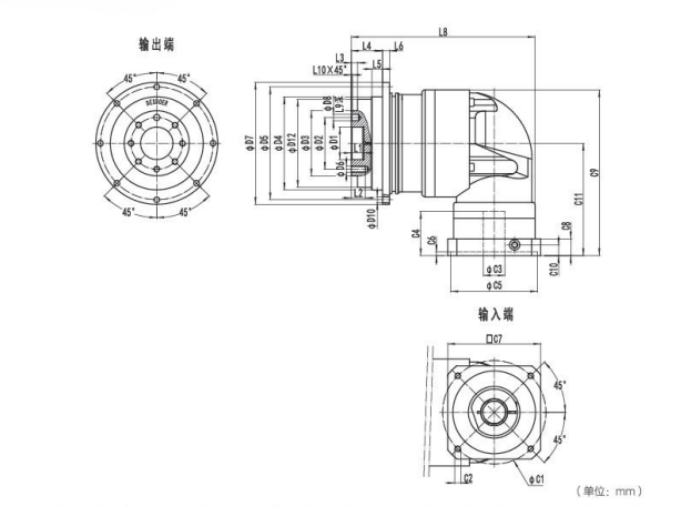
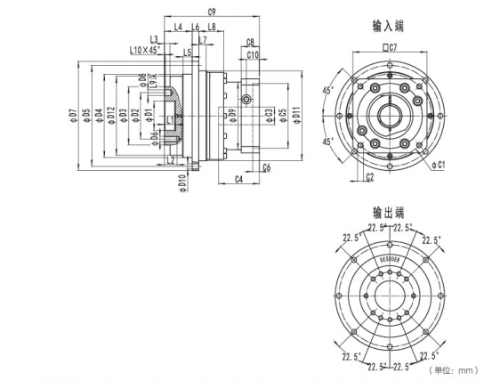
NBR142行星減速機型號及尺寸圖
NBR142精密行星減速機型號及尺寸圖
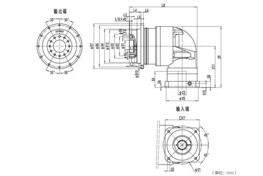
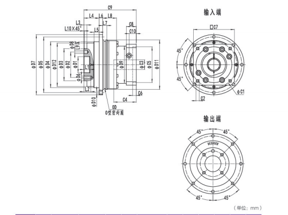
NBR180行星減速機型號及尺寸圖紙
NBR180行星減速器型號及尺寸圖
ND047行星減速機型號大全及尺寸圖
ND047A精密行星減速器型號大全及尺寸圖
ND064系列精密行星減速器型號大全及尺寸圖
ND090系列精密行星減速器型號大全及尺寸圖(上)
ND090系列精密行星減速器型號及尺寸圖(下)
ND110系列精密行星減速器型號和圖紙
NDV110系列精密行星減速機型號與圖紙
ND047系列精密行星減速機型號與尺寸圖紙
ND047A系列精密行星減速機尺寸參數圖紙
NDV140系列精密行星減速器型號與尺寸圖紙
NDV200系列精密行星減速器型號參數與圖紙
NDR064系列精密行星減速機型號參數與圖紙
NDR090系列精密行星減速器型號尺寸與圖紙
NDR110系列精密行星減速器型號尺寸與圖紙
NDR140系列精密行星減速器型號尺寸與圖紙
NDR200系列精密行星減速器尺寸與參數圖紙



