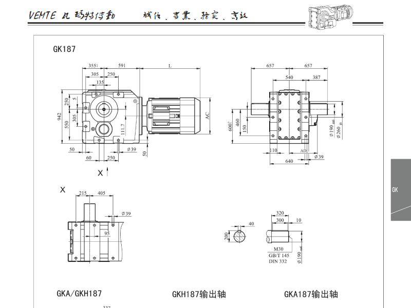
我國的機械設備制造產業中,涌現出了眾多高素質、高品質的產品。其中,K187大型轉角減速機便是其中之一,以其獨特的設計結構跟優良的性能,成為了行業里的翹楚。
此種機器的名字雖然看起來略顯晦澀,但它的每一個字符、每一個數字都有其獨特的含義。"K"指代的豈非是一種類型,而"187"則代表了它在該類型中的特定規格。大型轉角減速機這個名字,一定程度上揭示了它的基本性能和主要功能。如其名,它是一個大型的機械設備,主要的工作原理便是通過轉動角度,來實現減速的目的。
這款減速機的整個結構設計科學而合理,制造工藝精細而嚴謹,保證了它在轉動過程中的流暢性與穩定性,也保證了它的耐磨耐用性及長久的使用壽命。一些重要的零部件,如軸承、齒輪等,都由精密設備加工完成,確保了它在工作過程中的高效可靠,而設計的巧妙之處則確保了它在各種復雜環境中都能正常工作,可謂是適應性極強。
K187大型轉角減速機,不僅在我國得到了廣泛應用,也被成功地推向了國際市場,獲得了良好的商業反饋及行業內的肯定。而背后這樣的成果,離不開我國的深厚工藝基礎,離不開無數研發人員的辛勤付出,離不開我國機械設備制造業在國際競爭中積累的信譽和實力。




