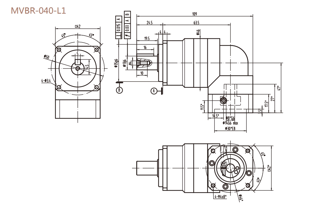
MVBR040L1P0行星減速機具有低背隙高精度的優勢
在當今工業領域,對機械傳動設備的要求越來越高,精度和穩定性成為關鍵指標。MVBR040L1P0 行星減速機以其低背隙和高精度的顯著優勢,在眾多傳動設備中脫穎而出。

低背隙是 MVBR040L1P0 行星減速機的一大亮點。背隙,即當輸出端固定,輸入端順時針和逆時針方向旋轉時,使輸出端產生微小的角位移。低背隙意味著減速機在運轉過程中,輸入軸和輸出軸之間的間隙極小。這一優勢在需要精確位置控制的應用場景中尤為重要。例如在自動化生產線中,機器人的關節運動需要高度精準,MVBR040L1P0 行星減速機的低背隙特性能夠確保機器人的動作準確無誤,大大提高生產效率和產品質量。在數控機床領域,低背隙可以保證刀具的定位精度,減少加工誤差,使加工出的零件更加精密。
高精度是該減速機的另一大優勢。MVBR040L1P0 行星減速機采用先進的制造工藝和高精度的齒輪設計,能夠實現精確的傳動比。無論是在高速運轉還是在重負載情況下,都能保持穩定的輸出精度。在精密儀器制造行業,對傳動精度的要求極高,這款減速機能夠為儀器的運動控制提供可靠的動力支持。在醫療設備領域,高精度的傳動可以確保設備的準確操作,為患者的診斷和治療提供保障。
此外,低背隙和高精度的結合使得 MVBR040L1P0 行星減速機具有良好的動態響應性能。在快速啟動、停止和變速的過程中,能夠迅速響應輸入信號,實現平穩的過渡。這對于需要頻繁調整運動狀態的設備來說,是至關重要的。
總之,MVBR040L1P0 行星減速機憑借其低背隙和高精度的優勢,在工業自動化、數控機床、精密儀器制造、醫療設備等眾多領域發揮著重要作用。它為現代工業的發展提供了可靠的動力傳輸解決方案,成為追求高精度和高效率的企業的理想選擇。



