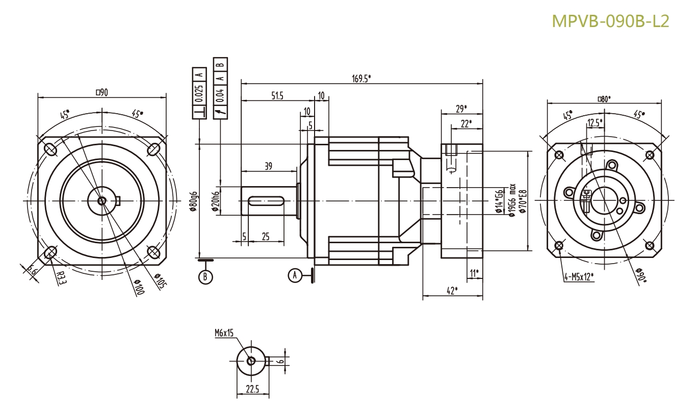
MPVB090BL2 行星減速機安裝注意事項
在工業生產中,MPVB090BL2 行星減速機的正確安裝對于設備的正常運行和使用壽命至關重要。以下是安裝該行星減速機時需要注意的事項。

一、安裝前的準備工作
檢查減速機的型號和規格是否與設備要求相符,確保所購買的減速機能夠滿足實際應用需求。
檢查減速機的外觀是否有損壞或變形,如有問題應及時聯系廠家進行處理。
準備好安裝所需的工具和設備,如扳手、螺絲刀、千斤頂等。
清理安裝場地,確保安裝環境干凈、整潔,無雜物和灰塵。
二、安裝過程中的注意事項
安裝位置的選擇:減速機應安裝在平穩、堅固的基礎上,避免安裝在振動較大或容易受到外力沖擊的地方。同時,要確保減速機的安裝位置便于維護和保養。
軸線對中:在安裝減速機時,要確保輸入軸和輸出軸與電機和負載的軸線對中良好。軸線不對中會導致減速機運行時產生振動和噪音,降低傳動效率,甚至損壞減速機。可以使用專業的對中工具進行對中調整。
螺栓緊固:安裝減速機時,要使用合適的螺栓和螺母進行緊固,確保連接牢固可靠。螺栓的緊固力矩要按照廠家規定的數值進行調整,避免過緊或過松。
潤滑系統的安裝:MPVB090BL2 行星減速機通常需要安裝潤滑系統,以保證齒輪和軸承的正常運轉。在安裝潤滑系統時,要確保管路連接正確,潤滑油的品質和數量符合要求。
電氣連接:如果減速機帶有電機或需要進行電氣連接,要確保電氣連接正確、牢固,符合相關的電氣安全標準。
三、安裝后的檢查和調試
安裝完成后,要對減速機進行全面的檢查,包括螺栓的緊固情況、潤滑系統的運行情況、電氣連接的可靠性等。
進行空載試運行:在正式投入使用前,要對減速機進行空載試運行,檢查減速機的運轉是否平穩、有無異常噪音和振動。如果發現問題,要及時進行調整和處理。
負載試運行:在空載試運行正常后,可以逐漸增加負載進行試運行,觀察減速機在不同負載下的運行情況。如果負載試運行過程中出現問題,要及時停機檢查,排除故障后再繼續運行。
總之,正確安裝 MPVB090BL2 行星減速機是確保設備正常運行和延長使用壽命的關鍵。在安裝過程中,要嚴格按照廠家的安裝說明進行操作,注意各個環節的細節問題,確保安裝質量。



