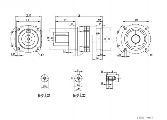
NF140系列精密行星減速器型號尺寸與圖紙
NF140系列精密行星減速器型號如下,不同廠家的行星減速機型號表示方式之間有差異,具體型號可咨詢客服了解,或者直接撥打我們的聯系方式。
NF140系列超精密背隙行星減速機系列(P0): NF140系列精密背隙行星減速器系列(P1): NF140系列標準背隙行星減速機系列(P2):
|
NF140超精密背隙行星減速機(P0)
|
NF140精密背隙行星減速機(P1)
|
NF140標準背隙行星減速機(P2)
|
|
NF140-4-S2-P0
|
NF140-4-S2-P1
|
NF140-4-S2-P2
|
|
NF140-5-S2-P0
|
NF140-5-S2-P1
|
NF140-5-S2-P2
|
|
NF140-7-S2-P0
|
NF140-7-S2-P1
|
NF140-7-S2-P2
|
|
NF140-10-S2-P0
|
NF140-10-S2-P1
|
NF140-10-S2-P2
|
|
NF140-16-S2-P0
|
NF140-16-S2-P1
|
NF140-16-S2-P2
|
|
NF140-20-S2-P0
|
NF140-20-S2-P1
|
NF140-20-S2-P2
|
|
NF140-25-S2-P0
|
NF140-25-S2-P1
|
NF140-25-S2-P2
|
|
NF140-35-S2-P0
|
NF140-35-S2-P1
|
NF140-35-S2-P2
|
|
NF140-40-S2-P0
|
NF140-40-S2-P1
|
NF140-40-S2-P2
|
|
NF140-50-S2-P0
|
NF140-50-S2-P1
|
NF140-50-S2-P2
|
|
NF140-70-S2-P0
|
NF140-70-S2-P1
|
NF140-70-S2-P2
|
|
NF140-100-S2-P0
|
NF140-100-S2-P1
|
NF140-100-S2-P2
|
行星減速機主要由太陽輪、行星輪、內齒圈和行星架組成。當輸入軸帶動太陽輪轉動時,行星輪在太陽輪和內齒圈之間進行公轉和自轉運動,通過行星輪的傳動作用,將動力傳遞到輸出軸,從而實現減速和增加扭矩的效果。伺服電機是一種將電信號轉換為角位移或線位移的執行機構。它通過接收控制信號,利用電磁感應原理,使電機內部的轉子產生旋轉運動。

行星減速機和伺服電機的應用場景非常廣泛,以下是一些常見的應用場景:工業自動化:如數控機床、機器人、物料搬運設備等。醫療器械:如醫療影像設備、手術機器人等。印刷機械:用于印刷機的傳動系統。包裝機械:如食品包裝、藥品包裝等設備。電子設備:如半導體制造設備、檢測設備等。航空航天:部分航空航天設備的驅動系統。新能源:如風力發電、太陽能發電設備等。如果想了解更多有關行星減速機的,請打開鏈接http://www.vem2.com/jsj/xxjsj/ 或者直接撥打我們首席技術人員13113069953(黃工)微信同號哦。



