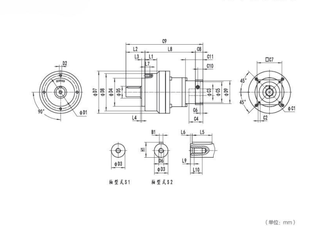
NE205系列精密行星減速機型號尺寸與圖紙大全:
NE205系列精密行星減速機型號如下,不同廠家的行星減速機型號表示方式之間有差異,具體型號可咨詢客服了解,或者直接撥打我們的聯系方式。
NE205系列超精密背隙行星減速機系列(P0): NE205系列精密背隙行星減速器系列(P1): NE205系列標準背隙行星減速機系列(P2):

NE205-4-S2-P0 ,NE205-4-S2-P1,NE205-4-S2-P2,
NE205-5-S2-P0,NE205-5-S2-P1,NE205-5-S2-P2,
NE205-7-S2-P0,NE205-7-S2-P1,NE205-7-S2-P2,
NE205-10-S2-P0,NE205-10-S2-P1,NE205-10-S2-P2,
NE205-16-S2-P0 ,NE205-16-S2-P1,NE205-16-S2-P2,
NE205-20-S2-P0,NE205-20-S2-P1,NE205-20-S2-P2,
NE205-25-S2-P0,NE205-25-S2-P1,NE205-25-S2-P2,
NE205-35-S2-P0,NE205-35-S2-P1,NE205-35-S2-P2,
NE205-40-S2-P0,NE205-40-S2-P1,NE205-40-S2-P2,
NE205-50-S2-P0,NE205-50-S2-P1,NE205-50-S2-P2,
NE205-70-S2-P0,NE205-70-S2-P1,NE205-70-S2-P2,
NE205-100-S2-P0,NE205-100-S2-P1,NE205-100-S2-P2,
行星減速機的間隙規范一般分為 P1、P2、P0 三個背隙,以弧分為單位,其大小不僅與行星齒輪的精度有關,還與行星齒輪軸的制造精度、軸承的運轉精度、油膜的厚度、機床、環境溫度等眾多因素有關。行星減速機的背隙基本可以做到 5 弧分以內,如行星減速機廠家普洛威的高精密行星減速機可以做到 3 弧分以內,具有高轉矩、高剛性、高精度輸出(高效率低噪音)低背隙等傳動優點。請打開鏈接http://www.vem2.com/jsj/xxjsj/ 或者直接撥打我們首席技術人員13113069953(黃工)微信同號哦。



