TRC減速機是一種硬齒面減速機,具有高精度、高剛性、高傳動效率、低噪音等優點。它廣泛應用于各種工業領域,如鋼鐵、石油化工、電力等。TRC減速機的生產廠家可以根據不同的需求進行定制,包括減速比、安裝形式、級數等參數。
TRC減速機的型號包括5.5kw斜齒輪減速機TRC05、0.75kw專用減速機TRC03鋁合金立式硬齒面型減速機、180w~7.5kw兩級齒輪減速電機等。這些型號的減速機都具有輕量化、高效率、低噪音等優點,適用于各種不同的應用場景。
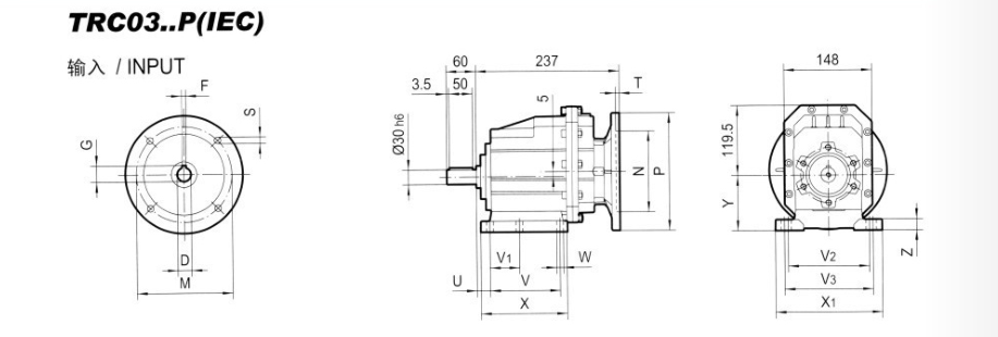
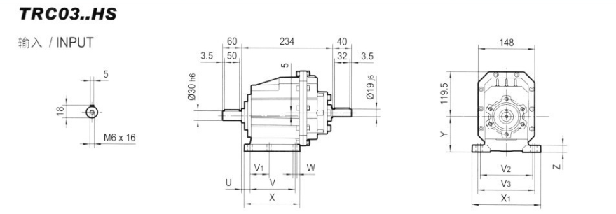
下面是TRC03減速機的型號,不同廠家型號表示方式有差異,具體的型號請咨詢客服了解。
| TRC03-34.20-P71 B5 | TRC03-24.99-P80 B5 | TRC03-12.60-P80 B14 | TRC03-15.30-P90 B14 | TRC03-3.74-P90 B5 |
| TRC03-38.63-P71 B5 | TRC03-30.57-P80 B5 | TRC03-13.30-P80 B14 | TRC03-18.21-P90 B14 | TRC03-4.50-P90 B5 |
| TRC03-44.18-P71 B5 | TRC03-34.20-P80 B5 | TRC03-15.30-P80 B14 | TRC03-19.24-P90 B14 | TRC03-5.48-P90 B5 |
| TRC03-51.30-P71 B5 | TRC03-38.63-P80 B5 | TRC03-18.21-P80 B14 | TRC03-21.15-P90 B14 | TRC03-6.31-P90 B5 |
| TRC03-3.74-P100 B5 | TRC03-44.18-P80 B5 | TRC03-19.24-P80 B14 | TRC03-24.99-P90 B14 | TRC03-7.93-P90 B5 |
| TRC03-4.50-P100 B5 | TRC03-51.30-P80 B5 | TRC03-21.15-P80 B14 | TRC03-30.57-P90 B14 | TRC03-9.08-P90 B5 |
| TRC03-5.48-P100 B5 | TRC03-3.74-P100 B14 | TRC03-24.99-P80 B14 | TRC03-34.20-P90 B14 | TRC03-10.93-P90 B5 |
| TRC03-6.31-P100 B5 | TRC03-4.50-P100 B14 | TRC03-30.57-P80 B14 | TRC03-38.63-P90 B14 | TRC03-12.60-P90 B5 |
| TRC03-7.93-P100 B5 | TRC03-5.48-P100 B14 | TRC03-34.20-P80 B14 | TRC03-44.18-P90 B14 | TRC03-13.30-P90 B5 |
| TRC03-9.08-P100 B5 | TRC03-6.31-P100 B14 | TRC03-38.63-P80 B14 | TRC03-51.30-P90 B14 | TRC03-15.30-P90 B5 |
| TRC03-10.93-P100 B5 | TRC03-7.93-P100 B14 | TRC03-44.18-P80 B14 | TRC03-7.93-P112 B5 | TRC03-18.21-P90 B5 |
| TRC03-12.60-P100 B5 | TRC03-9.08-P100 B14 | TRC03-51.30-P80 B14 | TRC03-19.24-P100 B5 | TRC03-19.24-P90 B5 |
| TRC03-13.30-P100 B5 | TRC03-10.93-P100 B14 | TRC03-3.74-P112 B5 | TRC03-15.30-P100 B14 | TRC03-21.15-P90 B5 |
| TRC03-15.30-P100 B5 | TRC03-12.60-P100 B14 | TRC03-4.50-P112 B5 | TRC03-6.31-P112 B5 | TRC03-24.99-P90 B5 |
| TRC03-18.21-P100 B5 | TRC03-13.30-P100 B14 | TRC03-5.48-P112 B5 | TRC03-34.20-P90 B5 | TRC03-30.57-P90 B5 |
TRC03硬齒面斜齒輪減速機具有以下的性能優勢:
傳動效率高:采用齒輪傳動方式,傳動效率較高。通過優化設計和精確制造,能夠降低傳動過程中的摩擦和能源損耗,進一步提高傳動效率。
傳動穩定性好:硬齒面齒輪的設計結構具有很強的耐久性和負載能力。特別是在高扭矩和高轉速的工作條件下,硬齒面齒輪減速機表現出良好的工作穩定性和可靠性。

TRC減速機選型需要注意以下幾點:
確認所需TRC減速機的規格和型號,包括減速比、安裝形式、級數等參數。需要根據實際應用場景選擇合適的規格和型號,以滿足所需的傳動扭矩、轉速和安裝要求。
確認TRC減速機的性能特點和使用要求,以確保選擇合適的型號和規格。需要了解TRC減速機的傳動效率、噪音、耐久性、維護要求等方面的性能特點,并根據實際使用要求進行選擇。
了解TRC減速機的生產廠家和品牌,并確認其售后服務和質量保證。選擇知名品牌和有良好售后服務的生產廠家,可以保證產品質量和售后服務。
確認TRC減速機的價格和交貨時間,并與廠家或經銷商協商并達成一致。需要根據實際需求和預算選擇合適的價格和交貨時間,并確保與廠家或經銷商達成一致。
注意最大扭矩問題。只要最大負載扭矩不超過減速機能承受的最大扭矩,就能保證減速機在運行過程中不會因過載而損壞。因此需要根據實際應用場景選擇合適的最大扭矩。

購買須知:我司VEMTE品牌所有系列產品,標準常用的,倉庫均備有現貨2000臺左右,非常用的需排單定做,請聯系客服咨詢貨期。凡購買我司品牌VEMTE系列產品,不分價格高低,保修期內非人為原因返回廠家維修或者是快遞零部件給用戶自己更換。兩年后免費維修,只收取零件成本費用。因各種設備企業對產品的要求標準不同,如果您的設備是出口的,請告知客服轉接我司VEMTE工程部,告知您的高標準,我們VEMTE工程部會為您量身定做百分百符合要求的產品。
更多TRC硬齒面減速機型號請查看http://www.vem2.com



