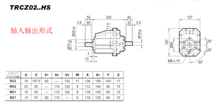
TRCZ02硬齒面斜齒輪減速機是一款專為工業應用設計的先進減速設備,具有高強度、高精度和高效率的特點。這款減速機采用硬齒面斜齒輪設計,使得它具有更長的使用壽命和更高的承載能力,特別適合于需要承受高負荷和沖擊的工作環境。TRCZ減速機通常由輸入軸、齒輪箱和輸出軸組成。輸入軸接收動力輸入,通過齒輪箱中的硬齒面斜齒輪傳遞動力至輸出軸,從而實現對速度和轉矩的調節。
下面是TRCZ02齒輪減速機的型號,不同廠家型號表示方式有差異,具體的型號請咨詢客服了解。
| TRCZ02-40.66-P63 B5 | TRCZ02-28.88-P71 B5 | TRCZ02-17.10-P71 B5 | TRCZ02-14.81-P80 B5 | TRCZ02-5.45-P80 B14 | TRCZ02-3.66-P90 B14 |
| TRCZ02-46.46-P63 B5 | TRCZ02-35.91-P71 B5 | TRCZ02-23.85-P71 B5 | TRCZ02-17.10-P80 B5 | TRCZ02-7.39-P80 B14 | TRCZ02-4.43-P90 B14 |
| TRCZ02-54.00-P63 B5 | TRCZ02-40.60-P71 B5 | TRCZ02-28.88-P71 B5 | TRCZ02-23.85-P80 B5 | TRCZ02-8.78-P80 B14 | TRCZ02-5.45-P90 B14 |
| TRCZ02-28.88-P80 B14 | TRCZ02-46.46-P71 B5 | TRCZ02-35.91-P71 B5 | TRCZ02-28.88-P80 B5 | TRCZ02-9.93-P80 B14 | TRCZ02-7.39-P90 B14 |
| TRCZ02-35.91-P80 B14 | TRCZ02-54.00-P71 B5 | TRCZ02-40.60-P71 B5 | TRCZ02-35.91-P80 B5 | TRCZ02-12.05-P80 B14 | TRCZ02-8.78-P90 B14 |
| TRCZ02-40.60-P80 B14 | TRCZ02-17.10-P90 B14 | TRCZ02-46.46-P71 B5 | TRCZ02-40.60-P80 B5 | TRCZ02-13.21-P80 B14 | TRCZ02-9.93-P90 B14 |
| TRCZ02-46.46-P80 B14 | TRCZ02-23.85-P90 B14 | TRCZ02-54.00-P71 B5 | TRCZ02-46.46-P80 B5 | TRCZ02-14.81-P80 B14 | TRCZ02-12.05-P90 B14 |
| TRCZ02-17.10-P90 B5 | TRCZ02-28.88-P90 B14 | TRCZ02-4.43-P90 B5 | TRCZ02-54.00-P80 B5 | TRCZ02-17.10-P80 B14 | TRCZ02-13.21-P90 B14 |
| TRCZ02-23.85-P90 B5 | TRCZ02-35.91-P90 B14 | TRCZ02-9.93-P90 B5 | TRCZ02-13.21-P90 B5 | TRCZ02-23.85-P80 B14 | TRCZ02-14.81-P90 B14 |
| TRCZ02-3.66-P90 B5 | TRCZ02-5.45-P90 B5 | TRCZ02-8.78-P90 B5 | TRCZ02-12.05-P90 B5 | TRCZ02-14.81-P90 B5 | TRCZ02-7.39-P90 B5 |
TRCZ02減速電機的性能優勢:
高效率:TRCZ02減速電機采用高效率的齒輪設計和優秀的傳動技術,能夠實現高效的動力傳輸。這有助于減少能源消耗和運營成本。
高精度:TRCZ02伺服電機減速機具有高精度的齒輪加工和嚴格的品質控制,能夠實現高精度的傳動。這有助于提高設備的穩定性和精度,適用于需要精確控制速度和轉矩的場合。

強大的承載能力:TRCZ02減速電機采用高強度材料和先進的熱處理技術,具有較長的使用壽命和較高的承載能力。它能夠承受高負荷和沖擊,適用于各種重載應用場景。
優秀的穩定性:TRCZ02減速電機具有優秀的穩定性,能夠在各種惡劣的工作環境下保持穩定的性能。其封閉式設計和防水防塵設計使其適用于各種惡劣的環境條件。
多樣化的配置:TRCZ02小型齒輪減速機提供多種配置選擇,可以滿足不同客戶的需求。無論是輸入方式、輸出方式還是安裝方式,都可以根據客戶的具體需求進行選擇。

TRCZ01減速電機具有高效率、高精度、強大的承載能力、優秀的穩定性、多樣化的配置和良好的售后服務等性能優勢,是一款高性能的傳動設備,適用于各種需要高效、高精度傳動的工業應用場景。
購買須知:我司VEMTE品牌所有系列產品,標準常用的,倉庫均備有現貨2000臺左右,非常用的需排單定做,請聯系客服咨詢貨期。凡購買我司品牌VEMTE系列產品,不分價格高低,保修期內非人為原因返回廠家維修或者是快遞零部件給用戶自己更換。兩年后免費維修,只收取零件成本費用。因各種設備企業對產品的要求標準不同,如果您的設備是出口的,請告知客服轉接我司VEMTE工程部,告知您的高標準,我們VEMTE工程部會為您量身定做百分百符合要求的產品。



